Đăng nhập
Đăng ký
Tài khoản
Tài khoản
So sánh
So sánh
Yêu thích
Yêu thích
So sánh
Đơn hàng
Giỏ hàng
Giỏ hàng
Loading...
Tổng tiền:
Giỏ hàng
Thanh toán
Yêu thích
Tìm kiếm
sales@tumeco.com.vn
+84-934244999
Đăng nhập
Đăng ký
So sánh
Yêu thích
Giỏ hàng
Loading...
Tổng tiền:
Giỏ hàng
Thanh toán
Loading...
{"desktop":{"unique_in":[],"is_horizontal_lv1":1,"is_horizontal_lv2":0,"is_horizontal_lv3":0,"is_horizontal_lv4":0,"column_lv1":1,"column_lv2":1,"column_lv3":1,"column_lv4":1,"position_lv2":"bottom","position_lv3":"right","position_lv4":"right","turn_on_arrow_1":0,"open_hover":1,"icon_open_horizontal":"far fa-angle-right","icon_close_horizontal":"far fa-angle-left","icon_open":"far fa-angle-down","icon_close":"far fa-angle-up","device_off_open_hover":"1024px","device_allow_event_toggle":0,"open_to_level":0,"style_lv2_box":{"width":"250px"},"style_lv3_box":{"width":"250px"},"style_lv4_box":{"width":""},"style_custom":{"3":{"is_horizontal_lv1":1,"is_horizontal_lv2":1,"is_horizontal_lv3":0,"is_horizontal_lv4":0,"column_lv1":1,"column_lv2":4,"column_lv3":1,"column_lv4":1,"enable":1,"style_lv2_box":{"width":"100w30s","padding":"20px","background-color":"#fff","box-shadow":"rgba(0, 0, 0, 0.15) 0px 5px 50px"},"position_lv2":"bottom","style_lv2_item":{"text-transform":"uppercase","font-weight":"500","line-height":"34px","color":"var(--c-1646275602979, #2f2f2f)","padding":"0px 10px","--row-gap":"20px","border-style":"solid","border-width":"0px 0px 1px","border-color":"#0000001a","--column-gap":"20px"},"position_lv3":"","style_lv3_box":{"width":"100%","padding":"0px","background-color":"","margin":"10px 0px 0px","box-shadow":"none"},"style_lv3_item":{"line-height":"34px","color":"var(--c-1646275602979, #2f2f2f)","font-weight":"500","padding":"0px 10px","--column-gap":"10px"},"style_lv3_hover":{"line-height":"34px","color":"var(--c-1646275637826, #00ccbd)","padding":"0px 10px"},"style_lv2_hover":{"color":"var(--c-1646275637826, #00ccbd)","padding":"0px 10px"},"open_to_level":3,"style_lv4_box":{"width":"100%","margin":"0px 0px 0px"}}}},"1024px":{"style_lv2_box":{"width":"100%"},"style_lv3_box":{"width":"100%"},"style_lv4_box":[],"style_custom":{"3":{"enable":1,"style_lv2_box":{"width":"100%","padding":"0px","background-color":"rgba(255, 255, 255, 0)","box-shadow":"rgba(0, 0, 0, 0.15) 0px 5px 50px","background-image":"none"},"is_horizontal_lv2":0,"position_lv2":"","column_lv2":1,"style_lv2_item":{"text-transform":"initial","font-weight":"500","line-height":"26px","color":"var(--c-1646272986861, #fff)","padding":"10px 15px 10px 25px","border-style":"solid","border-width":"0px 0px 1px","border-color":"#fff","--row-gap":"1px","--column-gap":"1px","background-color":"rgba(255, 255, 255, 0)","background-image":"none"},"position_lv3":"","style_lv3_box":{"width":"100%","padding":"0px","background-color":"","margin":"0px 0px 0px","box-shadow":"none","background-image":"none"},"style_lv3_item":{"line-height":"26px","color":"var(--c-1646272986861, #fff)","font-weight":"500","padding":"10px 15px 10px 35px","--column-gap":"10px","--row-gap":"0px","border-style":"solid","border-width":"0px 0px 1px","border-color":"#fff"},"style_lv3_hover":{"line-height":"26px","color":"#fff","padding":"10px 15px 10px 35px"},"style_lv2_hover":{"color":"var(--c-1646272986861, #fff)","padding":"10px 15px 10px 25px","line-height":"26px"},"open_to_level":3,"style_lv4_box":{"width":"100%","margin":"0px 0px 0px"},"style_lv4_item":{"line-height":"26px","color":"var(--c-1646272986861, #fff)","font-weight":"500","padding":"10px 15px 10px 45px","--column-gap":"10px","--row-gap":"0px","border-style":"solid","border-width":"0px 0px 1px","border-color":"#fff"},"style_lv4_hover":{"line-height":"26px","color":"#fff","padding":"10px 15px 10px 45px"}},"41":{"enable":0}},"is_horizontal_lv1":0,"position_lv2":"","position_lv3":""}}
Close
menu
Button
Trang chủ
Sản phẩm
Tủ bảng điện công nghiệp
{"id" :7602093, "type_config_slider" :{"config_slider":{"pagination":[],"navigation":[],"effect":"slide","loop":false,"autoplay":{"delay":3000}},"config_slider_thumb":{"slidesPerView":5},"is_used_thumb":true,"is_used_pagi":false,"is_used_nav":true,"is_used_nav_thumb":false,"is_used_pagi_thumb":false,"auto_calc_height_item":1,"icon":{"nextEl":"fas fa-chevron-right","prevEl":"fas fa-chevron-left"},"responsive":{"1024":[],"768px":[],"640px":[],"480px":[],"375px":[],"320px":[]}}}
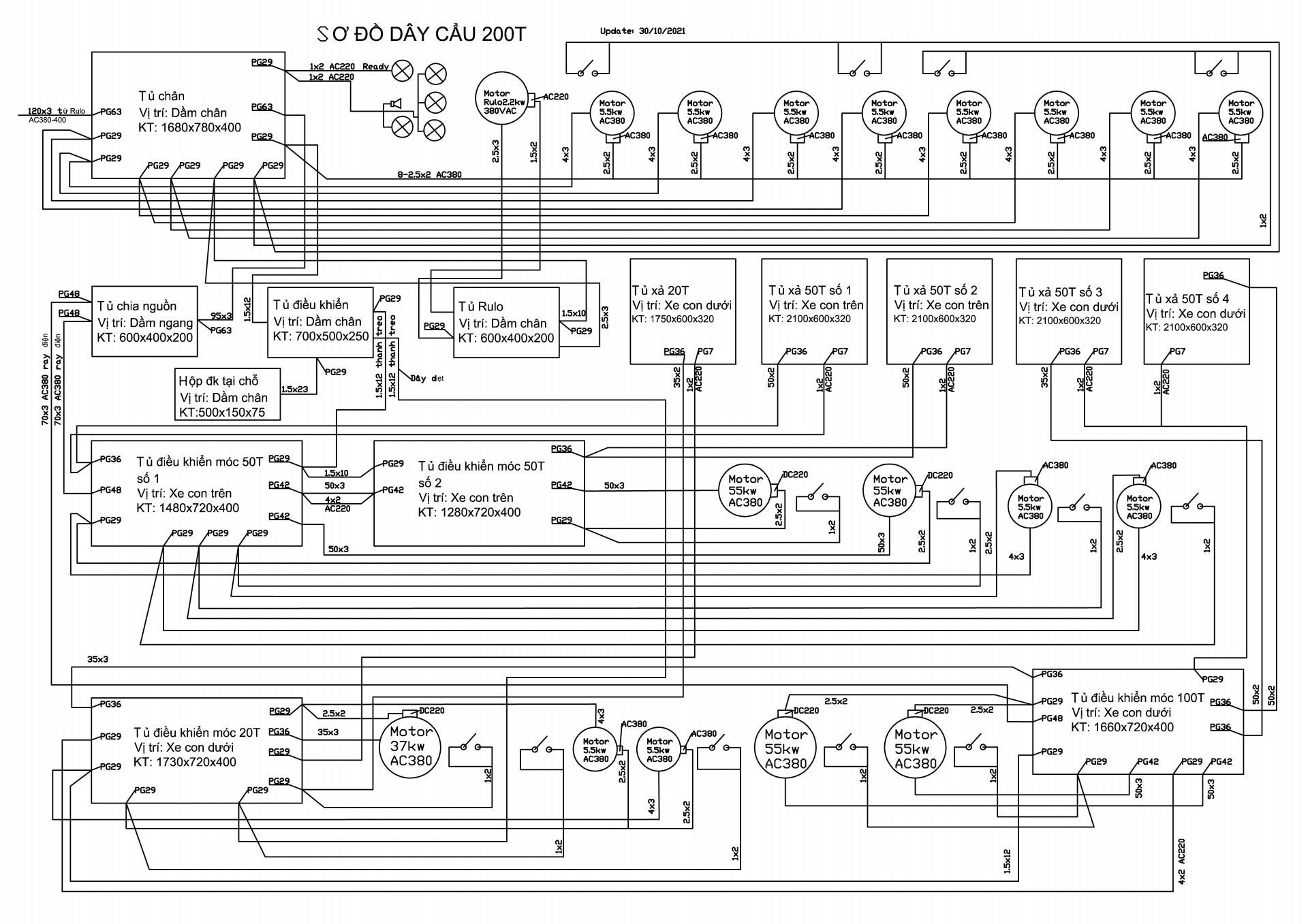
Tủ biến tần điểu khiển cổng trục 60 tấn đến 200 tấn
Thương hiệu:
Tumeco
Mã sản phẩm
040
Liên hệ
Sử dụng cho các nhà máy đóng tàu và xưởng cơ khí lớn trong khu công nghiệp
Đặt hàng
yêu thích
yêu thích
Buy
Tủ biến tần điểu khiển cổng trục 60 tấn đến 200 tấn
MÔ TẢ SẢN PHẨM
sản phẩm liên quan
Loading...
{"id" :7602125, "type_config_slider" :{"config_slider":{"pagination":[],"navigation":{"nextEl":".swiper-button-next","prevEl":".swiper-button-prev"},"effect":"slide","spaceBetween":0,"autoplay":false,"lazy":true,"loop":false,"allowTouchMove":true,"speed":300,"slidesPerColumn":1,"cubeEffect":{"shadow":true,"slideShadows":true,"shadowOffset":20,"shadowScale":0.939999999999999946709294817992486059665679931640625},"coverflowEffect":{"ronate":50,"stretch":0,"depth":100,"modifier":1,"slideShadows":true},"flipEffect":{"rotate":30,"slideShadows":false},"fadeEffect":{"crossFade":true},"slidesPerGroup":1,"slidesPerView":4},"config_slider_thumb":{"slidesPerView":4,"spaceBetween":10,"speed":300,"freeMode":true,"allowTouchMove":false,"watchSlidesVisibility":true,"watchSlidesProgress":true},"is_used_thumb":false,"is_used_pagi":false,"is_used_nav":true,"is_used_nav_thumb":false,"is_used_pagi_thumb":false,"auto_calc_height_item":1,"icon":{"nextEl":"fas fa-chevron-right","prevEl":"fas fa-chevron-left"},"responsive":{"1024":[],"768px":{"icon":{"nextEl":"fas fa-chevron-right","prevEl":"fas fa-chevron-left"},"config_slider_thumb":{"slidesPerView":4,"spaceBetween":10,"speed":300,"freeMode":true,"allowTouchMove":false,"watchSlidesVisibility":true,"watchSlidesProgress":true},"config_slider":{"spaceBetween":0,"autoplay":true,"lazy":true,"slidesPerView":2,"loop":true,"allowTouchMove":true,"speed":300,"slidesPerColumn":1,"pagination":[],"navigation":{"nextEl":".swiper-button-next","prevEl":".swiper-button-prev"},"effect":"slide","cubeEffect":{"shadow":true,"slideShadows":true,"shadowOffset":20,"shadowScale":0.939999999999999946709294817992486059665679931640625},"coverflowEffect":{"ronate":50,"stretch":0,"depth":100,"modifier":1,"slideShadows":true},"flipEffect":{"rotate":30,"slideShadows":false},"fadeEffect":{"crossFade":true},"slidesPerGroup":1}},"640px":[],"480px":{"icon":{"nextEl":"fas fa-chevron-right","prevEl":"fas fa-chevron-left"},"config_slider_thumb":{"slidesPerView":4,"spaceBetween":10,"speed":300,"freeMode":true,"allowTouchMove":false,"watchSlidesVisibility":true,"watchSlidesProgress":true},"config_slider":{"spaceBetween":30,"autoplay":true,"lazy":true,"slidesPerView":1,"loop":true,"allowTouchMove":true,"speed":300,"slidesPerColumn":1,"pagination":[],"navigation":{"nextEl":".swiper-button-next","prevEl":".swiper-button-prev"},"effect":"slide","cubeEffect":{"shadow":true,"slideShadows":true,"shadowOffset":20,"shadowScale":0.939999999999999946709294817992486059665679931640625},"coverflowEffect":{"ronate":50,"stretch":0,"depth":100,"modifier":1,"slideShadows":true},"flipEffect":{"rotate":30,"slideShadows":false},"fadeEffect":{"crossFade":true},"slidesPerGroup":1}},"375px":[],"320px":[],"1024px":{"icon":{"nextEl":"fas fa-chevron-right","prevEl":"fas fa-chevron-left"},"config_slider_thumb":{"slidesPerView":4,"spaceBetween":10,"speed":300,"freeMode":true,"allowTouchMove":false,"watchSlidesVisibility":true,"watchSlidesProgress":true},"config_slider":{"spaceBetween":0,"autoplay":true,"lazy":true,"slidesPerView":3,"loop":true,"allowTouchMove":true,"speed":300,"slidesPerColumn":1,"pagination":[],"navigation":{"nextEl":".swiper-button-next","prevEl":".swiper-button-prev"},"effect":"slide","cubeEffect":{"shadow":true,"slideShadows":true,"shadowOffset":20,"shadowScale":0.939999999999999946709294817992486059665679931640625},"coverflowEffect":{"ronate":50,"stretch":0,"depth":100,"modifier":1,"slideShadows":true},"flipEffect":{"rotate":30,"slideShadows":false},"fadeEffect":{"crossFade":true},"slidesPerGroup":1}}}}}
Đội 10, thôn Đông Nham 2, xã Quốc Tuấn, huyện An Lão, Tp. Hải Phòng
+84-934244999
sales@tumeco.com.vn
Danh mục sản phẩm
Loading...
{"desktop":{"unique_in":[],"is_horizontal_lv1":0,"is_horizontal_lv2":0,"is_horizontal_lv3":0,"is_horizontal_lv4":0,"column_lv1":1,"column_lv2":1,"column_lv3":1,"column_lv4":1,"position_lv2":"","position_lv3":"","position_lv4":"","turn_on_arrow_1":0,"open_hover":0,"icon_open_horizontal":"fa fa-caret-left","icon_close_horizontal":"fa fa-caret-right","icon_open":"","icon_close":"","device_off_open_hover":0,"device_allow_event_toggle":0,"open_to_level":0,"style_lv2_box":{"width":""},"style_lv3_box":{"width":""},"style_lv4_box":{"width":""},"style_custom":[]}}
THEO DÕI CHÚNG TÔI
Đăng ký
Sản phẩm của
Cung cấp bởi P.A Việt Nam
{"default_contact":"Liên hệ","default_notification":"Thông báo","default_redirect_click":"Nhấn vào đây nếu đợi quá lâu.","default_fullname":"Họ và tên","default_email":"Email","default_address":"Địa chỉ","default_phone":"Điện thoại","default_send":"Gởi đi","default_reset":"Làm lại","default_select_all":"Chọn tất cả","default_captcha":"Mã bảo vệ","default_input_captcha":"Nhập vào mã bảo vệ","default_contact_send_success":"Bạn đã gởi liên hệ thành công","default_contact_send_false":"Bạn đã gởi liên hệ thất bại","default_back_page_home":"Quay về trang chủ","product_sort_name_asc":"Sắp xếp theo tên (A-Z)","product_sort_name_desc":"Sắp xếp theo tên (Z-A)","product_sort_price_asc":"Sắp xếp theo giá (Nhỏ -> Lớn)","product_sort_price_desc":"Sắp xếp theo giá (Lớn -> Nhỏ)","product_sort_price_sale_asc":"Sắp xếp theo khuyến mãi (Không -> Có)","product_sort_price_sale_desc":"Sắp xếp theo khuyến mãi (Có -> không)","key_option_product_discount":"Sản phẩm khuyến mãi","key_option_product_new":"Sản phẩm mới","key_option_product_special":"Sản phẩm đặt biệt","key_option_product_hot":"Sản phẩm Hot","key_option_news_new":"Tin mới","key_option_news_highlight":"Tin nổi bật","key_option_news_special":"Tin đặc biệt","key_option_news_hot":"Tin hot","key_option_classified_news_highlight":"Tin rao nổi bật","default_newsletter_thanks":"Cảm ơn bạn đã đăng ký trên hệ thống của chúng tôi","error_email_exists":"Email đã tồn tại trong hệ thống","error_email_not_exists":"Email không tồn tại trong hệ thống","error_email_invalid":"Địa chỉ email phải đúng cú pháp, ví dụ: info@tenmien.vn!","member_change_info_success":"Thông tin thay đổi thành công.","member_change_info_fail":"Thay đổi thông tin thất bại.","member_change_password_success":"Mật khẩu thay đổi thành công","member_change_password_fail":"Mật khẩu thay đổi thất bại","member_login_success":"Bạn đã đăng nhập thành công","member_register_success":"Đăng ký tài khoản thành công","member_register_fail":"Đăng ký tài khoản thất bại","member_send_password_new_mail_success":"Mật khẩu mới đã gửi về email đăng ký!","member_send_password_new_fail":"Lấy lại mật khẩu thất bại","error_account_not_found":"Không tìm thấy tài khoản trong hệ thống.","error_limit_login":"Bạn đã nhập sai vượt quá số lần quy định. Vui lòng đăng nhập lại sau:","error_username_required":"Bạn vui lòng nhập tên truy cập","error_username_not_exists":"Tên truy cập không tồn tại.","error_username_space":"Tên truy cập không được chứa khoảng trắng","error_username_exists":"Tên truy cập đã tồn tại","error_account_block":"Tài khoản đã bị khóa","error_password_not_exists":"Mật khẩu bạn nhập không chính xác.","error_password_required":"Bạn vui lòng nhập mật khẩu","error_password_not_regex":"Mật khẩu phải chứa ít nhất 6 ký tự. Bao gồm chữ in hoa, chữ thường và số.","error_password_old_required":"Nhập vào mật khẩu hiện tại của bạn","error_password_old_invalid":"Mật khẩu cũ không đúng","error_password_confirm_invalid":"Mật khẩu phải chứa ít nhất 6 ký tự. Bao gồm chữ in hoa, chữ thường và số.","error_register_is_login":"Bạn đã đăng nhập vào hệ thống. Vui lòng đăng xuất để thực hiện tính năng này","page_login":"Đăng nhập","error_fullname_required":"Bạn vui lòng nhập họ tên","error_fullname_max_length":"Họ tên Không vượt quá 55 ký tự","error_address_max_length":"Địa chỉ không vượt quá 150 ký tự","error_email_required":"Bạn vui lòng nhập email","error_content_required":"Bạn vui lòng nhập nội dung","error_content_max_length":"Nội dung gửi không được vượt quá 5000 ký tự","error_phone_required":"Bạn vui lòng nhập số điện thoại","error_phone_syntax":"Số điện thoại phải đủ 8 số hoặc lớn hơn, ví dụ: 19009477, 0967897890, 0286253737, ...","error_phone_exists":"Số điện thoại đã tồn tại trong hệ thống","error_captcha_required":"Bạn vui lòng nhập mã bảo vệ","error_captcha_invalid":"Mã bảo vệ không đúng","error_token_csrf_invalid":"Token không hợp lệ","time_invalid":"Thời gian không hợp lệ","forms_required":"Trường này là bắt buộc","forms_send_success":"Bạn đã gửi thông tin đăng ký thành công","forms_send_false":"Bạn đã gửi thông tin đăng ký thất bại","forms_undefined":"Không xác định được biểu mẫu","authentication_otp":"Xác thực OTP","authentication_otp_note":"Vui lòng kiểm tra điện thoại để lấy mã Xác thực.","error_limit_send_authentication_phone":"Quý khách đã đạt đến giới hạn xác thực số điện thực, vui lòng xác thực sau 30p","error_time_resend_authentication_phone":"Chưa đến thời gian gửi lại.","send_code_otp_success":"Gửi mã OTP thành công","send_code_otp_error":"Gửi mã OTP thất bại","authentication_phone":"Xác thực số điện thoại","authentication_enter_code":"Nhập mã xác thực tại đây","authentication":"Xác thực","authentication_phone_re_send":"Gửi lại","authentication_phone_success":"Xác thực điện thoại thành công","verify_success":"Xác minh thành công","titile_authentication_phone_success":"Xác thực thành công","authentication_phone_error":"Xác thực điện thoại thất bại","warning_custom_no_authentication_phone":"Quý khách chưa xác thực số điện thoại","warning_phone_number_you_have_verified":"Số điện thoại của bạn đã xác minh","error_customer_access_page_here":"Quý khách chưa được truy cập trang này","skip_authenction":"Bỏ qua xác thực","error_enter_phone_invalid":"Khách hàng vui lòng nhập số điện thoại hợp lệ","error_info_invalid":"Thông tin không hợp lệ","error_code_verify_required":"Vui lòng nhập mã xác thực OTP","save_info_failed":"Lưu thông tin thất bại","save_info_success":"Lưu thông tin thành công","news":"Tin Tức","back_to_home":"Quay lại trang chủ","content_404":"Xin lỗi! Trang bạn đang tìm kiếm không tồn tại.","mail_welcome":"Xin chào: Anh\/Chị","best_regards":"Trân trọng","admin_website":"Ban quản trị","lost_password_subject":"Yêu cầu mật khẩu mới cho tài khoản!","lost_password_info":"Chúng tôi vừa nhận được yêu cầu khôi phục mật khẩu từ phía bạn. Vui lòng nhấn vào","lost_password_link":"đường dẫn","lost_password_active":"sau để kích hoạt mật khẩu mới.","news_password":"Mật khẩu mới:","account":"Tài khoản:","lost_password_contact":"Nếu Anh\/chị có bất kỳ câu hỏi nào, xin liên hệ với chúng tôi qua mail","onepay_cart":"Hệ thống sẽ chuyển qua cổng thanh toán OnePay.vn","product_payment_onepay":"Thanh toán OnePay","product_payment_onepay_atm":"OnePay cổng nội địa","product_payment_onepay_int":"OnePay cổng quốc tế","napas_cart":"Hệ thống sẽ chuyển qua cổng thanh toán Napas","product_payment_napas":"Thanh toán NaPas","product_payment_napas_atm":"Thanh toán NaPas nội địa","product_payment_napas_int":"Thanh toán NaPas quốc tế","product_payment_sacombank":"Thanh toán qua Sacombank","paypal_cart":"Hệ thống sẽ chuyển qua cổng thanh toán Paypal.com","product_payment_paypal":"Thanh toán PayPal","error_money_limit":"Số tiền lớn hơn mức cho phép của Paypal vui lòng chọn phương thức thanh toán khác","cart_paypal_express":"Hệ thống sẽ chuyển qua cổng thanh toán Paypal Express","vnpay_cart":"Hệ thống sẽ chuyển qua cổng thanh toán Vnpayment.vn","product_payment_vnpay":"Thanh toán VNPAY","zalopay_cart":"Hệ thống sẽ chuyển qua cổng thanh toán ZaloPay","product_payment_zalopay":"Thanh toán ZaloPay","product_payment_zalopay_app":"Thanh toán qua ví ZaloPay","product_payment_zalopay_atm":"Thanh toán ZaloPay cổng ATM","product_payment_zalopay_int":"Thanh toán ZaloPay cổng Visa\/MasterCard","error_zalopay_create_url_fail":"Tạo thanh toán qua ZaloPay thất bại. Vui lòng kiểm tra lại thông tin đơn hàng khi thanh toán.","zalopay_create_url_error":"ZaloPay tạo đơn hàng thất bại.","error_zalopay_payment_int":"Số tiền tối thiểu thanh toán qua cổng ZaloPay là 10.000đ","momo_cart":"Hệ thống sẽ chuyển qua cổng thanh toán MoMo","product_payment_momo":"Thanh toán qua ví MoMo","error_momo_create_url_fail":"Tạo thanh toán qua MoMo thất bại. Vui lòng kiểm tra lại thông tin đơn hàng khi thanh toán.","momo_create_url_error":"MoMo tạo đơn hàng thất bại.","error_momo_payment":"Số tiền tối thiểu thanh toán qua cổng MoMo là 1000đ","addon_video_relate":"Video liên quan","addon_video_empty":"Không có video thuộc chủ đề này","addon_video_error_notfound":"Không tìm thấy video trên hệ thống","cart_empty":"Bạn chưa chọn món hàng nào.","cart_payment":"Thanh Toán","cart_payment_method_online":"Thanh Toán trực tuyến","cart_order_now":"Đặt hàng nhanh","error_update_cart_fail":"Cập nhật giỏ hàng thất bại","error_update_cart_success":"Cập nhật giỏ hàng thành công","cart_add_success":"Thêm vào giỏ hàng thành công","cart_add_fail":"Thêm vào giỏ hàng thất bại","cart_add_fail_quantity":"Số lượng sản phẩm mua vượt quá số lượng có","error_login_add_cart":"Quý khách vui lòng đăng nhập để đặt hàng","confirm_delete_cart":"Bạn chắc chắn muốn xóa sản phẩm này khỏi giỏ hàng","cart_delete_success":"Xóa giỏ hàng thành công","cart_delete_fail":"Xóa giỏ hàng thất bại","cart_nganluong":"Hệ thống sẽ chuyển qua cổng thanh toán NganLuong.vn","cart_baokim":"Hệ thống sẽ chuyển qua cổng thanh toán BaoKim.vn","order_success":"Đặt hàng thành công","cart_order_success":"Thông tin đặt hàng thành công","cart_order_thank":"Xin cảm ơn quý khách đã đặt hàng trên hệ thống của chúng tôi.","cart_order_success_thank_customer":"Đặt hàng thành công, xin cảm ơn quý khách đã đặt hàng trên hệ thống của chúng tôi.","cart_note":"Ghi chú","cart_total_price":"Tổng tiền","cart_order_info":"Thông tin đơn hàng","cart_price_detail":"Chi tiết giá","cart_order_button":"Sửa","cart_payment_transportation":"Phương thức vận chuyển","form_of_delivery":"Hình thức giao hàng","cart_payment_transport_to":"Vận chuyển đến","cart_payment_select_provinces":"--- Chọn tỉnh\/thành ---","cart_payment_select_state":"--- Chọn bang ---","cart_payment_select_region":"--- Chọn Khu vực ---","cart_payment_select_district":"--- Chọn quận\/huyện ---","cart_payment_select_ward":"--- Chọn phường\/xã ---","cart_payment_city_name":"Nhập thành phố","cart_payment_postal_code":"Nhập Zip\/Postal code","cart_payment_select_shipping_method":"Chọn hãng\/phương thức giao hàng","cart_payment_transport_select":"Chọn","cart_payment_shipping_carrier":"Hãng vận chuyển","cart_payment_estimated_time":"Thời gian dự kiến","cart_payment_transport_fee":"Phí vận chuyển","cart_payment_transport_service":"Dịch vụ vận chuyển","cart_payment_cod_fee":"Phí thu hàng hộ","cart_payment_total_shipping_cost":"Tổng tiền vận chuyển","cart_payment_not_transport":"Bạn có muốn nhận hàng trực tiếp tại shop ?","shipping_fast":"Giao hàng nhanh","shipping_default":"Giao hàng mặc định","shipping_other_form":"Hình thức khác","shipping_other_form_desc":"Shop liên hệ sau khi đặt hàng thành công","info_extend_payment":"Thông tin thêm","cart_customer_info":"Thông tin khách hàng","cart_buyer_info":"Người mua hàng","cart_receive_info":"Người nhận hàng","cart_use_buyer_info":"Sử dụng thông tin người mua hàng","view_cart":"Giỏ hàng","discount_shipping_note":"Giảm giá cho phí vận chuyển","address_received_product":"Địa chỉ nhận hàng","product_payment_at_the_receive":"Thanh toán khi nhận hàng","product_payment_at_the_company":"Thanh toán tại công ty","product_payment_nganluong":"Thanh toán NganLuong.vn","product_payment_baokim":"Thanh toán BaoKim.vn","product_payment_transfer":"Thanh toán chuyển khoản","product_payment_transfer_qr":"Chuyển khoản qua QR","please_warning_enter_address_shipping":"Vui lòng chọn địa chỉ giao hàng","warning_empty_province_to_shipping":"Hiện tại không có hình thức vận chuyển phù hợp","message_not_used_method_payment":"* Chúng tôi sẽ liên hệ quý khách khi nhận được đơn hàng. Hình thức thanh toán sẽ được chúng tôi thông báo đến quý khách sớm.","product_compare_limit":"Danh sách so sánh đã đạt giới hạn cho phép (10 sản phẩm)","address_store_payment":"Địa chỉ cửa hàng","shipping_status_not_delivery":"Chưa giao hàng","status_shipping_delivered":"Đã giao hàng","status_shipping_cancel_delivery":"Hủy giao hàng","error_payment_method_required":"Xin vui lòng chọn hình thức thanh toán cho đơn hàng này","error_payment_method_fail":"Hình thức thanh toán này chưa cập nhật. Vui lòng chọn hình thức thanh toán khác","error_payment_fail":"Đã có lỗi trong quá trình thanh toán","error_payment_address_required":"Xin vui lòng nhập vào địa chỉ liên lạc của bạn!","error_payment_receive_address_required":"Xin vui lòng nhập vào địa chỉ người nhận!","error_payment_fullname_required":"Xin vui lòng nhập vào họ tên người liên hệ","error_payment_receive_fullname_required":"Xin vui lòng nhập vào họ tên người nhận","error_payment_email_required":"Hãy nhập vào địa chỉ Email mà bạn đang sử dụng","error_payment_transport_not_exists":"Không tồn tại phương thức vận chuyển này","error_cart_product_not_found":"Không tìm thấy sản phẩm giỏ hàng","error_value_must_not_be_less_than_1":"Giá trị không được nhỏ hơn 1","error_transport_method_empty":"Vui lòng chọn phương thức vận chuyển cho đơn hàng này","error_payment_total_0":"Không thể chọn phương thức thanh toán online khi giá trị đơn hàng là 0đ","error_payment_warning_select":"Không có phương thức thanh toán trực tuyến phù hợp với đơn hàng hiện tại","error_payment_province_select":"Xin vui lòng chọn tỉnh\/thành","error_payment_district_select":"Xin vui lòng chọn quận\/huyện","error_payment_ward_select":"Xin vui lòng chọn phường\/xã","error_shipping_warning_select":"Không có phương thức vận chuyển phù hợp với địa chỉ này","error_payment_shipping_rate_select":"Xin vui lòng chọn phương thức vận chuyển","error_payment_shipping_rate_not_valid":"Phương thức vận chuyển không hợp lệ","error_payment_city_name_required":"Xin vui lòng nhập vào tên thành phố","error_payment_postal_code_required":"Xin vui lòng nhập mã bưu chính","error_confirm_terms_invalid":"Bạn phải đồng ý với điều khoản trước khi thanh toán","coupon_used":"Sử dụng Coupon","point_used":"Sử dụng điểm thưởng","point_current_me":"Điểm thưởng hiện tại","voucher_used":"Sử dụng Voucher","coupon_input":"Nhập mã Coupon","voucher_input":"Nhập mã Voucher","coupon_button_apply":"Áp dụng","coupon_label":"Giảm giá Coupon","voucher_label":"Giảm giá Voucher","apply_code_coupon_success":"Áp dụng mã coupon thành công","apply_code_voucher_success":"Áp dụng mã voucher thành công","error_coupon_required":"Vui lòng nhập mã Coupon để sử dụng","error_voucher_required":"Vui lòng nhập mã Voucher để sử dụng","error_coupon_not_exists":"Mã Coupon không tồn tại!","error_coupon_not_accept":"Mã Coupon không hợp lệ!","error_coupon_not_used":"Mã Coupon đã hết lượt sử dụng!","error_coupon_total_product":"Giá trị đơn hàng tối thiểu không hợp lệ!","error_voucher_not_exists":"Mã Voucher không tồn tại!","error_voucher_not_accept":"Mã Voucher không hợp lệ!","error_voucher_not_used":"Mã Voucher đã hết lượt sử dụng!","error_coupon_apply_promotion":"Mã này không áp dụng đồng thời cùng chương trình khuyến mãi","show_more":"Xem thêm","show_less":"Thu gọn","product_in_of_stock":"Còn hàng","product_out_of_stock":"Hết hàng","product_viewed_confrim_remove":"Bạn chắc chắn muốn xóa sản phẩm này khỏi danh sách đã xem","product_viewed_confrim_remove_success":"Xóa sản phẩm khỏi danh sách đã xem thành công","product_viewed_confrim_remove_fail":"Xóa sản phẩm khỏi danh sách đã xem thất bại","product_compare_add_success":"Sản phẩm đã được thêm vào so sánh","product_compare_add_fail":"Thêm sản phẩm vào so sánh thất bại","product_compare_confirm_delete":"Bạn chắc chắn muốn xóa sản phẩm này khỏi danh sách so sánh","product_compare_confirm_delete_all":"Bạn chắc chắn muốn xóa tất cả sản phẩm này khỏi danh sách so sánh","product_compare_delete_success":"Xóa sản phẩm khỏi danh sách so sánh thành công","product_compare_delete_success_fail":"Xóa sản phẩm khỏi danh sách so sánh thất bại","add_favorite_success":"Thêm vào danh sách yêu thích thành công","add_favorite_fail":"Thêm vào danh sách yêu thích thất bại","product_favorite_confrim_remove":"Bạn chắc chắn muốn xóa sản phẩm này khỏi danh sách yêu thích","remove_favorite_success":"Xóa sản phẩm khỏi danh sách yêu thích thành công","remove_favorite_fail":"Xóa sản phẩm khỏi danh sách yêu thích thất bại","error_login_required":"Đăng nhập để thực hiện thao tác này","error_product_exists":"Sản phẩm đã tồn tại","error_product_not_found":"Không tìm thấy sản phẩm trên hệ thống","product_content_expand":"Xem thêm nội dung","product_content_collapse":"Ẩn bớt nội dung","title_order":"Đơn hàng","shipping_to":"Vận chuyển tới","promotion":"Khuyến mãi","order_expires_view":"Đơn hàng hết hạn xem","order_into_money":"Thành tiền","order_price_temporary":"Tạm tính","order_total_product":"Tổng tiền hàng","order_vat":"VAT","payment_method":"Hình thức thanh toán","delivery_method":"Hình thức giao hàng","error_order_not_found":"Không tìm thấy đơn hàng trong hệ thống. Bạn vui lòng làm mới lại website","error_content_lenght_must_be_than_10":"Nội dung phải lớn hơn 9 ký tự","error_add_member_success":"Gửi câu hỏi thành công.","error_add_member_fail":"Gửi câu hỏi thất bại.","code_product":"Mã sản phẫm","date_order":"Ngày giờ đặt hàng","receive_at_the_shop":"Đến nhận hàng trực tiếp tại cửa hàng","info_store_address":"Thông tin cửa hàng","delivery_to_your_place":"Giao hàng tận nơi","cart_code":"Mã đơn hàng","note_send_mail_order":"Nếu Anh\/chị có bất kỳ câu hỏi nào, xin liên hệ với chúng tôi qua mail","admin_shop":"Ban quản trị cửa hàng","transfer_information":"Thông tin chuyển khoản","order_shipping_to":"Đơn hàng sẽ được giao đến","notify_order_receive_and_contact_customer":"Đơn hàng của Anh\/Chị đã được tiếp nhận, chúng tôi sẽ nhanh chóng liên hệ với Anh\/Chị.","cart_discount":"Giảm giá","add_cart":"Thêm vào giỏ hàng","buy_more":"Mua thêm","send_product_reviews_success":"Gửi đánh giá sản phẩm thành công","send_product_reviews_error":"Gửi đánh giá sản phẩm thất bại","empty_product_id_error":"Sản phẩm rỗng","error_customer_write_review_consecutive":"Quý khách vui lòng đánh giá sau 5 phút","used_point":"Sử dụng điểm thưởng","look_up_order":"Tra cứu đơn hàng","status_order":"Trạng thái đơn hàng","no_exits_order":"Không tồn tại đơn hàng","result_look_up":"Kết quả tra cứu","look_up":"Tra cứu","product":"Sản phẩm","service":"Dịch vụ","copy_content_success":"Sao chép thành công","subject_title_send_mail":"Thông tin đặt hàng - MĐH","from":"từ","payment_method_unknown":"Không xác định","status_order_new":"Đơn hàng mới","status_order_accepted_processing":"Đang xử lý","status_order_pending":"Chờ xuất hàng","status_order_out_stock":"Xuất hàng","status_order_completed":"Hoàn thành","status_order_cancel":"Hủy đơn hàng","status_paid":"Đã thanh toán","status_unpaid":"Chờ thanh toán","method":"Phương thức","confirm":"Xác nhận","bank":"Ngân hàng","account_no":"Số tài khoản","content":"Nội dung","number_money":"Số tiền","summary_order":"Tóm tắt đơn hàng","selected_country":"Quốc gia","error_country_empty":"Quốc gia không thể trống","default":"Mặc định","product_payment_qr":"Chuyển khoản qua QR Code","order_not_found":"Không tìm thấy đơn hàng","cart_payment_success":"Thanh toán thành công","cart_payment_fail":"Thanh toán thất bại","cart_payment_welcome":"Xin chào: Anh\/Chị","cart_payment_thank":"Cảm ơn Anh\/Chị đã đặt hàng trên website của chúng tôi.","cart_payment_noti_success":"Giao dịch thanh toán đơn hàng của Anh\/Chị đã thành công. Mã đơn hàng của Anh\/Chị là:","cart_payment_order_fail":"Số đơn hàng của Anh\/Chị là:","cart_payment_order_cus_noti":"Giao dịch của Anh\/Chị","cart_payment_order_status":"không thành công","cart_payment_phone":"Điện thoại hỗ trợ:","cart_payment_email":"Email hỗ trợ:","cart_payment_back_home":"Trở về trang chủ trong","cart_payment_contact":"Vui lòng kiểm tra lại thông tin thanh toán hoặc liên hệ với chúng tôi để biết thêm thông tin chi tiết.","cart_error_no":"Mã lỗi","result_payment_online":"Kết quả thanh toán online đơn hàng","you_have_just_made_online_payment_transaction_for_your_order":"Anh\/Chị vừa thực hiện giao dịch thanh toán online cho đơn hàng:","status_transaction":"Trạng thái giao dịch:","if_you_any_question_please_contact_us_via_mail":"Nếu Anh\/chị có bất kỳ câu hỏi nào, vui lòng liên hệ với chúng tôi qua mail","cart_add":"Đặt hàng nhanh"}
{"id":3307436,"name":"Tủ biến tần điểu khiển cổng trục 60 tấn đến 200 tấn","desc":"<p>Sử dụng cho các nhà máy đóng tàu và xưởng cơ khí lớn trong khu công nghiệp<\/p>\n","content":"","image_url":"https:\/\/tumeco.com.vn\/datafiles\/42209\/upload\/images\/product\/So%20do%20day%2060t%20so%201.jpg","image_thumb_url":"https:\/\/tumeco.com.vn\/datafiles\/42209\/upload\/thumb_images\/product\/So%20do%20day%2060t%20so%201.jpg","tags":["Tủ biến tần điểu khiển cổng trục 60 tấn đến 200 tấn"],"count_view":404,"seo_name":"tu-bien-tan-dieu-khien-cong-truc-60-tan-den-200-tan","date_update":"1689407552","date_created_format":"","meta_title":"","meta_desc":"","meta_keyword":"","sku":"SKU-1689407197119","code":"040","rate":5,"image_2_url":"https:\/\/tumeco.com.vn\/datafiles\/42209\/upload\/images\/product\/So%20do%20day%20200t.jpg","image_2_thumb_url":"https:\/\/tumeco.com.vn\/datafiles\/42209\/upload\/\/thumb_images\/product\/So%20do%20day%20200t.jpg","time_promotion":false,"date_sale":[],"status_order":7,"variant_options":[],"variants":[{"status_inventory":1,"status_order":7,"id":395523,"product_id":3307436,"sku":"SKU-1689407197119","barcode":"","quantity":10,"quantity_alert":0,"price":0,"price_discount":0,"images":[],"display_order":0,"is_point":"","point":"","vat":"","weight":"","variant_options":[],"variant_option_name":"","image":"","price_final":0,"price_final_format":"0 đ","price_format":"0 đ","price_discount_format":"0 đ","percent_discount":0,"date_sale":[],"percent_discount_format":"- 0%","price_discount_final_format":"0 đ"}],"variantIdDefault":395523,"image_list":[{"image_url":"https:\/\/tumeco.com.vn\/datafiles\/42209\/upload\/images\/product\/So%20do%20day%2060t%20so%201.jpg","image_thumb_url":"https:\/\/tumeco.com.vn\/datafiles\/42209\/upload\/\/thumb_images\/product\/So%20do%20day%2060t%20so%201.jpg"},{"image_url":"https:\/\/tumeco.com.vn\/datafiles\/42209\/upload\/images\/product\/So%20do%20day%20200t.jpg","image_thumb_url":"https:\/\/tumeco.com.vn\/datafiles\/42209\/upload\/\/thumb_images\/product\/So%20do%20day%20200t.jpg"},{"image_url":"https:\/\/tumeco.com.vn\/datafiles\/42209\/upload\/images\/product\/Ctr1.jpg","image_thumb_url":"https:\/\/tumeco.com.vn\/datafiles\/42209\/upload\/\/thumb_images\/product\/Ctr1.jpg"},{"image_url":"https:\/\/tumeco.com.vn\/datafiles\/42209\/upload\/images\/product\/Ctr2.jpg","image_thumb_url":"https:\/\/tumeco.com.vn\/datafiles\/42209\/upload\/\/thumb_images\/product\/Ctr2.jpg"},{"image_url":"https:\/\/tumeco.com.vn\/datafiles\/42209\/upload\/images\/product\/Ctr3.jpg","image_thumb_url":"https:\/\/tumeco.com.vn\/datafiles\/42209\/upload\/\/thumb_images\/product\/Ctr3.jpg"},{"image_url":"https:\/\/tumeco.com.vn\/datafiles\/42209\/upload\/images\/product\/Ctr4.jpg","image_thumb_url":"https:\/\/tumeco.com.vn\/datafiles\/42209\/upload\/\/thumb_images\/product\/Ctr4.jpg"},{"image_url":"https:\/\/tumeco.com.vn\/datafiles\/42209\/upload\/images\/product\/Ctr5.jpg","image_thumb_url":"https:\/\/tumeco.com.vn\/datafiles\/42209\/upload\/\/thumb_images\/product\/Ctr5.jpg"},{"image_url":"https:\/\/tumeco.com.vn\/datafiles\/42209\/upload\/images\/product\/Ctr6.jpg","image_thumb_url":"https:\/\/tumeco.com.vn\/datafiles\/42209\/upload\/\/thumb_images\/product\/Ctr6.jpg"},{"image_url":"https:\/\/tumeco.com.vn\/datafiles\/42209\/upload\/images\/product\/Ctr7.jpg","image_thumb_url":"https:\/\/tumeco.com.vn\/datafiles\/42209\/upload\/\/thumb_images\/product\/Ctr7.jpg"},{"image_url":"https:\/\/tumeco.com.vn\/datafiles\/42209\/upload\/images\/product\/Ctr8.jpg","image_thumb_url":"https:\/\/tumeco.com.vn\/datafiles\/42209\/upload\/\/thumb_images\/product\/Ctr8.jpg"},{"image_url":"https:\/\/tumeco.com.vn\/datafiles\/42209\/upload\/images\/product\/CTr9.jpg","image_thumb_url":"https:\/\/tumeco.com.vn\/datafiles\/42209\/upload\/\/thumb_images\/product\/CTr9.jpg"},{"image_url":"https:\/\/tumeco.com.vn\/datafiles\/42209\/upload\/images\/product\/Ctr10.jpg","image_thumb_url":"https:\/\/tumeco.com.vn\/datafiles\/42209\/upload\/\/thumb_images\/product\/Ctr10.jpg"},{"image_url":"https:\/\/tumeco.com.vn\/datafiles\/42209\/upload\/images\/product\/Ctr11.jpg","image_thumb_url":"https:\/\/tumeco.com.vn\/datafiles\/42209\/upload\/\/thumb_images\/product\/Ctr11.jpg"},{"image_url":"https:\/\/tumeco.com.vn\/datafiles\/42209\/upload\/images\/product\/Ctr12.jpg","image_thumb_url":"https:\/\/tumeco.com.vn\/datafiles\/42209\/upload\/\/thumb_images\/product\/Ctr12.jpg"}],"product_articles":[],"total_point_review":0,"link_youtube":"https:\/\/www.youtube.com\/embed\/","video_url":"","booking_url":"javascript:void(0)","file_url":"","config_panorama":[],"brand_name":"Tumeco","qr_code":"https:\/\/tumeco.com.vn\/tu-bien-tan-dieu-khien-cong-truc-60-tan-den-200-tan","promotion_name":"","status_inventory_value":1,"status_inventory":"Còn hàng","price":false,"price_final":false,"percent_discount":false,"price_discount":false,"company_logo":"https:\/\/tumeco.com.vn\/datafiles\/42209\/upload\/images\/album\/Tumeco.jpg?t=1753035985","company_name":"tumeco.com.vn","company_email":"sales@tumeco.com.vn","company_phone":"+84-934244999","company_address":"Đội 10, thôn Đông Nham 2, xã Quốc Tuấn, huyện An Lão, Tp. Hải Phòng","company_fax":"","date_now":1776420962,"company_tags":["Tủ bảng điện"],"search_keyword":null,"facebook_comment":"https:\/\/tumeco.com.vn\/tu-bien-tan-dieu-khien-cong-truc-60-tan-den-200-tan","breadscrumb":[{"url":"https:\/\/tumeco.com.vn","name":"Trang chủ","icon":"","active":false},{"url":"https:\/\/tumeco.com.vn\/san-pham","name":"Sản phẩm","icon":"","active":false},{"url":"https:\/\/tumeco.com.vn\/tu-dien","name":"Tủ bảng điện công nghiệp","icon":"","active":true}],"list_products_tmp":[],"list_section":[{"id":300371,"name":"SECTION-167987","seo_name":"#w30s-section-300371","url":"#w30s-section-300371"},{"id":300375,"name":"SECTION-167988","seo_name":"#w30s-section-300375","url":"#w30s-section-300375"},{"id":300374,"name":"SECTION-105183","seo_name":"#w30s-section-300374","url":"#w30s-section-300374"},{"id":300389,"name":"SECTION-105286","seo_name":"#w30s-section-300389","url":"#w30s-section-300389"},{"id":300373,"name":"SECTION-135149","seo_name":"#w30s-section-300373","url":"#w30s-section-300373"}],"type_page":4,"id_page":158585,"widget_7601820":{"content_data":{"content":"So sánh"}},"widget_7601823":{"content_data":{"content":"Yêu thích"}},"widget_7601826":{"content_data":{"content":"So sánh"}},"widget_7601830":{"content_data":{"content":"Giỏ hàng"}},"widget_7601841":{"content_data":{"content":"Tổng tiền:"}},"widget_7601844":{"content_data":{"content":"Giỏ hàng"}},"widget_7601847":{"content_data":{"content":"Yêu thích"}},"widget_7601817":{"content_data":{"content":"Tài khoản"}},"widget_7601821":{"content_data":{"content":"So sánh"}},"widget_7601824":{"content_data":{"content":"Yêu thích"}},"widget_7601827":{"content_data":{"content":"Đơn hàng"}},"widget_7601838":{"content_data":{"price_final":""}},"widget_7601845":{"content_data":{"content":"Thanh toán"}},"widget_7601848":{"content_data":[]},"widget_7601850":{"content_data":{"content":""}},"widget_7601818":{"content_data":{"content":"Tài khoản"}},"widget_7601832":{"content_data":{"content":"Giỏ hàng"}},"widget_7601839":{"content_data":{"content":""}},"widget_7601851":{"content_data":{"content":"Tìm kiếm"}},"widget_7601798":{"content_data":{"content":"Giỏ hàng"}},"widget_7601808":{"content_data":{"content":"Tổng tiền:"}},"widget_7601811":{"content_data":{"content":"Giỏ hàng"}},"widget_7601805":{"content_data":{"price_final":""}},"widget_7601812":{"content_data":{"content":"Thanh toán"}},"widget_7601794":{"content_data":[{"id":42663,"title":"Viet Nam","code":"vn","is_expires":false,"is_active":1}]},"widget_7601806":{"content_data":{"content":""}},"widget_7601880":{"content_data":[]},"widget_7601882":{"content_data":{"content":""}},"widget_7601885":{"content_data":{"content":"Close"}},"widget_7601886":{"content_data":{"content":"menu"}},"widget_7601877":{"content_data":{"content":"Button"}},"widget_7602115":{"content_data":{"content":"yêu thích"}},"widget_7602121":{"content_data":{"content":"MÔ TẢ SẢN PHẨM"}},"widget_7602110":{"content_data":{"content":""}},"widget_7602116":{"content_data":{"content":"yêu thích"}},"widget_7602124":{"content_data":{"content":"sản phẩm liên quan"}},"widget_7602104":{"content_data":{"content":"P.A Việt Nam tiên phong trong thị trường Internet & Web. Là nhà đăng ký tên miền lớn nhất Việt Nam.","price_final":"Liên hệ"}},"widget_7602113":{"content_data":{"content":"Đặt hàng"}},"widget_7602112":{"content_data":{"content":""}},"widget_7602118":{"content_data":{"content":"Buy"}},"widget_7602098":{"content_data":{"content":"<p>Thương hiệu:<\/p>\n"}},"widget_7602101":{"content_data":{"content":"<p>Mã sản phẩm<\/p>\n"}},"widget_7602130":{"content_data":{"content":"Xem nhanh"}},"widget_7602131":{"content_data":{"content":"Yêu thích"}},"widget_7602132":{"content_data":{"content":"So sánh"}},"widget_7602136":{"content_data":{"content":"Giỏ hàng"}},"widget_7602140":{"content_data":{"content":"P.A Việt Nam tiên phong trong thị trường Internet & Web. Là nhà đăng ký tên miền lớn nhất Việt Nam.","price_final":"Liên hệ"}},"widget_7601865":{"content_data":[{"id":345752,"name":"Banner footer","desc":"","content":"","image_url":"https:\/\/tumeco.com.vn\/datafiles\/42209\/upload\/images\/Tumeco_%2C%20PTE.jpg","image_thumb_url":"https:\/\/tumeco.com.vn\/datafiles\/42209\/upload\/thumb_images\/Tumeco_%2C%20PTE.jpg","tags":"","count_view":0,"date_update":0,"date_created_format":0,"unique":489,"link":"","category_id":28919,"icon_svg":""}]},"widget_7601867":{"content_data":{"content":"Danh mục sản phẩm"}},"widget_7601869":{"content_data":{"content":"THEO DÕI CHÚNG TÔI\n"}},"widget_7601872":{"content_data":{"content":"Đăng ký"}},"widget_7601853":{"content_data":{"content":"Sản phẩm của "}},"widget_7601855":{"content_data":{"content":"Cung cấp bởi P.A Việt Nam"}},"widget_8178047":{"content_data":{"content":""}},"widget_8178055":{"content_data":{"content":"Trình trạng tồn kho:"}},"widget_8178058":{"content_data":{"price_final":"Liên hệ","content":""}},"widget_8178067":{"content_data":{"content":"Thương hiệu:"}},"widget_8178070":{"content_data":{"content":"Mã SP:"}},"widget_8178082":{"content_data":{"content":"<span class=\"w30s-content\"><\/span>"}},"widget_8178063":{"content_data":{"content":"Tiết kiệm:"}},"widget_8178078":{"content_data":{"content":""}},"widget_8178080":{"content_data":{"content":"<span class=\"w30s-content\">Thêm vào giỏ hàng<\/span>"}},"widget_8178083":{"content_data":{"content":"<span class=\"w30s-content\"><\/span>"}},"widget_8178079":{"content_data":{"content":""}},"title_page":"Sản phẩm","relate_object_id":3307436}